蓝狮在线

您当前的位置 : 蓝狮在线 > 产品中心 > 欧式起重机
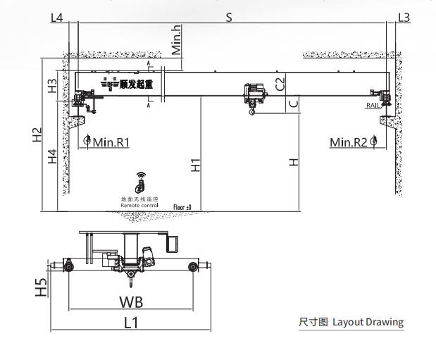
欧式单梁起重机(8吨)

欧式单梁起重机是一种常见的工业起重机械,主要用于工厂、车间等场所的货物搬运和起重作业。它的主要特点是采用单梁结构,悬挂在车间的顶部,通过欧式电动葫芦作为起升结构,三合一免维护电动机驱动运行,具有起重能力强、灵活性高等优点。

  • 适用起重量8吨
  • 适用跨度5m-28.5m

欧式单梁桥式起重机是是基于欧洲轻量化和模块化设计理念以及先进生产制造工艺,在主梁上悬挂电动葫芦起升机构,可左右、上下、前后实现物料物体在立体空间搬运该产品技术先进,设计按照国际标准:DIN(德国)、FEM(欧洲)、ISO(国际),具有刚性强、自重轻、结构设计出众等优点,能有效地节约厂房空间和投资成本,行走结构特点独特,是您最佳的选择。

24h全国免费咨询热线
86-13929139265

欧式单梁起重机

欧式单梁起重机起重量从1吨到20吨,跨度可达28.5米。欧式单梁起重机是工业应用的理想选择,在市场上非常受欢迎。它具有性能优越、结构紧凑、自重轻、绿色环保节能、静音、轮压小、安全可靠和运行高能等特点,可以帮助您有效利用可用空间,节省厂房的整体投资成本,提高生产效率、减少日常维护、节省运营能源消耗,取得更好的投资回报。

A.采用FEMGB3811标准设计。

B.该系列产品与欧式系列电动葫芦配套使用。

C.主梁为箱型梁,计算机优化设计,钢结构有限元优化设计,重量轻。

D.端梁为抗扭箱型,实现模块化设计,自重轻、体积小。

E.钢丝绳电动葫芦高度尺寸小,使吊钩更靠近边缘,增加了服务作业面积。

F.为小车提供高柔性扁电缆电源,并具有接地保护。

欧式单梁起重机

欧式单梁起重机

高清图片

广东蓝狮在线-起重机专业制造和服务供应商
60s人工响应 / 30min技术答复 / 24h免费提供方案

24h全国免费咨询热线
86-13929139265

创造客户价值 助力客户成功-蓝狮在线-蓝狮注册在线 - 欧亿6蓝狮网官方
广东蓝狮在线起重设备凭借良好的声誉,优异的品质及完善的服务赢得世界点赞,在国内外众多企业大放异彩,在广东周边地区享有超高的荣誉,屹立在美丽的佛山,展望在世界的起重机行业舞台。
var _hmt = _hmt || []; (function() { var hm = document.createElement("script"); hm.src = "https://hm.baidu.com/hm.js?25a8b6ddd6dc7b9a90aeb1f51e218aa6"; var s = document.getElementsByTagName("script")[0]; s.parentNode.insertBefore(hm, s); })(); 蓝狮娱乐-「蓝狮在线,专注成就未来」 巅峰国际官网-追求健康,你我一起成长 巅峰国际-科技赋能场景,让娱乐更有趣。 巅峰国际-梦想照进现实,努力成就未来! 巅峰国际官网-为热爱加冕,与强者同行